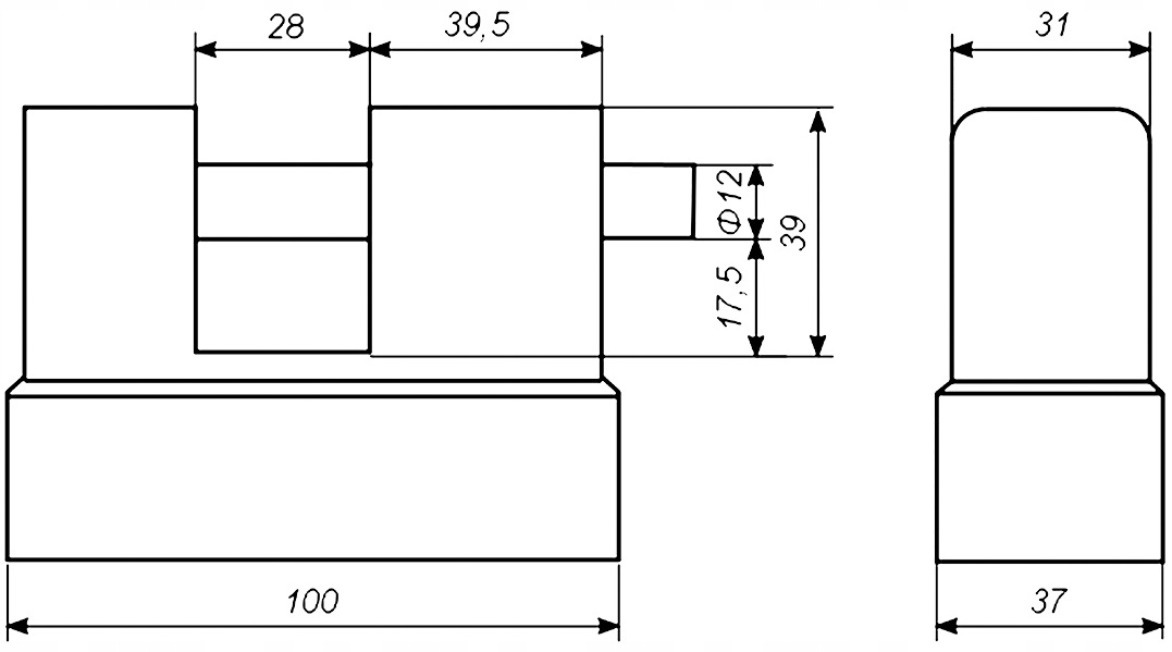
KABRO KŁÓDKA TRZPIENIOWA ANTYWŁAMANIOWA C5 KLASA 5 3 KLUCZE W ZESTAWIE
Cena regularna:
Cena regularna:
towar niedostępny
dodaj do przechowalni
Opis
KŁÓDKA TRZPIENIOWA ANTYWŁAMANIOWA KABRO C5 KLASA 5
3 KLUCZE W ZESTAWIE
Atestowana kłódka trzpieniowa stalowa czarna KABRO C5 Klasa 5 zabezpieczeń. 3 klucze. Certyfikat IMP.
Cechy produktu:
- Wytrzymałość kłódki przewyższa wymagania stawiane wyrobom z certyfikatem klasy 5. Poziom zabezpieczenia zwiększa w szczególności duża wytrzymałość na wyciągnięcie lub wypchnięcie przetyczki wzdłuż osi (ponad 20 kN, czyli ok. 2 000 kG) Wiele innych kłódek antywłamaniowych o podobnej konstrukcji nie wytrzymuje sił wyrywających przetyczkę nawet rzędu 2-3 kN.
- Ważnym atutem jest wzmocniona konstrukcja, uzyskana poprzez zastosowanie hartowanego pancerza oraz hartowanej przetyczki, których nie da się przeciąć piłą do metalu.
- W bębenku znajdują się hartowane kołki i kulki, które uniemożliwiają rozwiercenie.
- Zastosowanie hartowanych kulek do popychania kołków zastawkowych radykalnie zmniejsza ich ścieranie, przedłużając żywotność mechanizmu. Jest to istotna zaleta, gdyż wydłuża wielokrotnie czas bezproblemowej pracy kłódki, w porównaniu z innymi konstrukcjami, w których klucz wspólpracuje bezpośrednio z kołeczkami.
\
Stalowa kłódka trzpieniowa KABRO C5 wyróżnia się dużą wytrzymałością mechaniczną, co potwierdza otrzymany przez nią certyfikat wysokiej klasy. Konstrukcja mechanizmu bębenkowego i klucza zapewniają dużą ilość kombinacji oraz trudność otwarcia. Podczas prób w Laboratorium Kryminalistycznym KG Policji mechanizm ten nie został otworzony.
